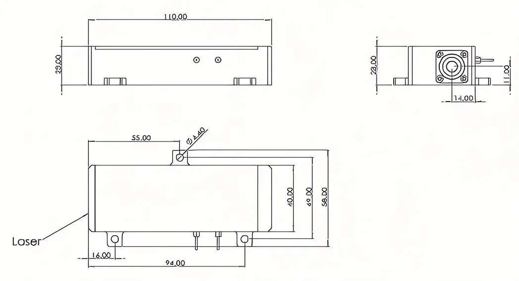
1535nm High Energy Erbium Glass Laser - 8mJ
ER8000-03
Selling point
MOQ
No MOQ restrictions apply—sample orders are fully supported, allowing you to evaluate device performance firsthand before scaling up purchases.
After-Sales Support
We provide a 1-year warranty on all devices, complemented by lifetime technical after-sales assistance to ensure long-term operational efficiency for your business.
OEM/ODM Capabilities
We offer comprehensive OEM (Original Equipment Manufacturer) and ODM (Original Design Manufacturer) services, tailored to meet your branding, specification, and customization needs.
Support Global Delivery
30-day TrialTake
